夹套反应釜的应用\系统的结构\结构组成简介 -新都
夹套反应器简介:
夹套式反应容器广泛应用于石油、化工、橡胶、农药、染料、医药和食品,并作为压力容器用于完成硫化、硝化、氢化、烷基化聚合和缩合等工艺过程,如反应器、反应罐、分解罐、聚合釜等。材料一般是碳锰钢、不锈钢、锆、镍基(哈氏、蒙乃尔,因科镍合金)合金和其他复合材料。

夹套反应釜结构组成:
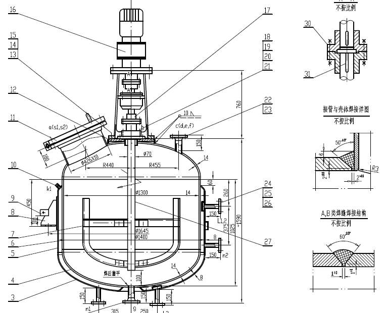
1。传动机械:电机、减速器、机架、机械密封、联轴器、轴承、机架连接板等。
2.传热装置:包括夹套、内盘管和外盘管。通过导热油、蒸汽或热水加热。冷却水是冰水、自来水、冷导热油等。
3.搅拌装置:泥浆搅拌、锚搅拌、双螺旋桨搅拌、涡轮泥浆搅拌或螺旋桨泥浆搅拌。分散盘和蝴蝶浆通常用于高速。
4.密封装置:机械密封、填料密封等。
5.筒体组件:内筒体、上封头、下封封头、导管架、导管架下封对、喷嘴、人孔、出料口等。
6.喷嘴组件:进料口、备用口、蒸馏口、真空计口、压力表口、温度计口、夹套或内外盘管进出口、出料口、排气口等。
7.成套设备附件:蒸馏塔、提升管、立式冷凝器或钦奈冷凝器、分水器、接收罐、真空缓冲灌溉、电气控制箱、泵送泵、操作平台、管道安装、阀门等附件。

夹套反应器系统的结构:
夹套反应釜主要由搅拌容器(包括罐体和夹套)、搅拌装置、传动装置、轴封装置、支架、人孔、工艺喷嘴和一些附件组成。大多数是中低压容器。
夹套反应器的搅拌装置由搅拌器和搅拌轴组成,搅拌形式通常由工艺设计决定,包括锚式、浆式、蜗轮式、推进式或框架式;
夹套反应器的传动装置用于驱动搅拌装置,搅拌装置主要由电机、减速器、联轴器和传动轴组成;
夹套反应釜的开口数量、规格或其他要求可根据用户要求设计制造。

夹套反应釜的应用:
反应釜是化工生产中典型的主要反应设备,包括胶粘剂、白乳胶、乳液、腹膜胶、压敏胶、密封胶、纸胶、热熔胶、106胶、硅胶、模胶、结构胶、密封胶、鞋胶、黄胶、胶水、胶粘剂、喷胶、聚氨酯胶、树脂、印刷糊、助剂、电子胶和玻璃胶等多种材料通过搅拌、加热和冷却进行分散和混合,从而发生反应聚合。




